VK HMI

用户友好且直观的人机界面软件。

产品描述

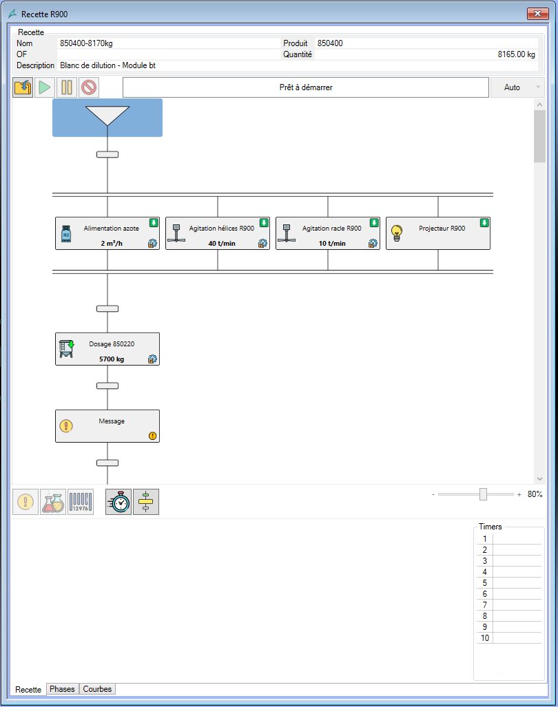
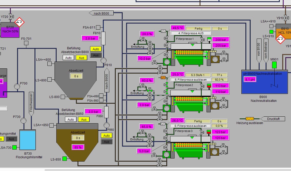
VK HMI 提供用户友好且直观的人机界面,是基于 Windows 的客户端/服务器流程可视化软件。

功能:

  • OPC 服务器通信、以太网、Profibus 等。
  • 概览图
  • 脚本
  • 报警和消息
  • 趋势视图
  • 生产报告
  • 批处理(可选)

主要功能

  • OPC 服务器通信
  • 概览图和脚本
  • 报警和消息
  • 趋势视图和报告
  • 用户友好界面
  • 兼容 Windows

相关产品

VK QuickView FPL
HMI 软件

VK QuickView FPL

用于电镀机的客户端/服务器可视化和控制软件。

了解更多
VK QuickView FCL/Optima
HMI 软件

VK QuickView FCL/Optima

用于工业清洗机的可视化和控制软件。

了解更多
VK Touch HMI
HMI 软件

VK Touch HMI

用于触摸屏应用的流程控制监控软件。

了解更多